evinrude 25hp 1975 shifting problem

lkadja

Recruit
Joined
Jul 5, 2011
Messages
4
stuck in reverse changed lower unit lube and also pulled side plate. linkage moves fine.just wont go into neutral or forward.any ideas ?
 

Cofe

Lieutenant Commander
Joined
Apr 23, 2009
Messages
1,883
Re: evinrude 25hp 1975 shifting problem

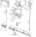
Since your out at the lake, some quick checks are to make sure the shift link connection #8 has not slipped or bolt #6 is not broke and in the grove of the shift rod.
Another thing to check is the pivot pin #46 that it is not broke. Warning......do not shift the motor when you remove the pivot pin, they are a booger to get lined up again...If all that checks out, you will have to disassemble the lower unit to examine the shift yolk#22 and the pin#21 that connects it to the shift linkage. Hope you can get it going......
 

Attachments

  • 7525.jpg
    7525.jpg
    126.2 KB · Views: 0

milliesdad

Petty Officer 2nd Class
Joined
Dec 20, 2010
Messages
168
Re: evinrude 25hp 1975 shifting problem

What plug/bolt did you remove to drain the lube? There are 2 slotted head plugs that have to be removed-upper is vent lower is drain. Also change the gaskets.

If you removed a phillips-head screw, that is the pivot pin for the shift linkage. It can be challenging to replace it properly. You need a small pin or screw driver to line up the pivot and the hole that the pin rides in.

Check the above diagram.

Sometimes its easier to take the gearcase apart to get it lined up.

Don't ask how I learned this.
 

made3188

Recruit
Joined
May 7, 2012
Messages
4
Re: evinrude 25hp 1975 shifting problem

I am currently have a pretty rough time getting the shift linkage back in myself, I was wondering if it mattered what gear I have it in. or does it not matter as long as the lower unit is in the same gear as the lever on the motor?
 

kfa4303

Banned
Joined
Sep 17, 2010
Messages
6,094
Re: evinrude 25hp 1975 shifting problem

HI made. You should be able to lift up and push down on the lower shift rod by hand. I usually have to use a pair of needle nose to grab it through the little oval window, however. By tugging up on the lower shift rod you will put the motor into FWD. You can test it by first disconnecting the spark plug wires for safety, then spinning the prop clockwise by hand until you feel it catch. There's usually about 1/8-1/4 turn of play. You can further check by removing the spark plugs all together and rotating the flywheel clockwise by hand. You should see the prop to spin clockwise as well, thus indicating that you are in FWD. You can check REV the same way. Push down on the lower shift rod to put the LU into Rev. Again, rotate the flywheel clockwise by hand with the plugs removed. You should now see the prop spin counter clockwise, thus indicating REV. NEU it at a sweet spot between the two positions. You should be able to spin the prop freely in either direction when in Neu and spinning the flywheel clockwise by hand should not rotate the prop at all. TO join the upper and lower shift rod, I usually flip the gear select lever into FWD then tug up on the lower shift rod with a pair of needle nose. I then lower the shift rod coupler onto the lower shift rod by flipping the gear select lever to REV. The coupler should drop onto the top of the lower shift rod. Once the bevel in the rod is aligned, insert the lower bolt of the coupler and check the gear shifting using the same method.
 
Top