Help me identify this bolt!

93maxum4.3lx

Seaman Apprentice
Joined
Aug 2, 2008
Messages
34
Winterized my boat yesterday. Found this bolt sitting in the bilge under the motor (4.3 mercruiser alpha gen 2). Any ideas what it came from?

I've owned the boat for a few years and have never lost any bolts, so either it's been hanging out down there for quite a while, or it recently fell out over this past season.

Bolt has black paint on most of the head and a portion of the shaft as well, so it was in an external area that got exposed to factory engine paint, I believe.

Any suggestions welcome!

p932897748.jpg

p1060520611.jpg
 
Last edited:

NHGuy

Captain
Joined
May 21, 2009
Messages
3,631
Re: Help me identify this bolt!

Might be from the starter or alternator, get yer flashlight out.
 

achris

More fish than mountain goat
Joined
May 19, 2004
Messages
27,468
Re: Help me identify this bolt!

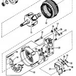
Looks too small for a starter mounting bolt, and too short for the casing bolts. Looks to be 3/16" x 2-3/4", with a 5/16" socket head. Maybe an alternator casing through bolt... #21 in the attached picture.

Chris.....

attachment.php
 

Attachments

  • Alt.jpg
    Alt.jpg
    50.6 KB · Views: 0

stonyloam

Vice Admiral
Joined
Mar 13, 2009
Messages
5,830
Re: Help me identify this bolt!

Yeah, look at the alternator. Good eye Chris ;).
 

Fun Times

Moderator
Staff member
Joined
May 16, 2009
Messages
9,311
Re: Help me identify this bolt!

Also the bolt kind of has the look of being a starter casing through bolt as well, They had two different sized starters around 1993 so keep an eye on your starter motor as well.

STARTER MOTOR 3-1/4" DIAMETER END CAP
STARTER MOTOR 8"(PG 260) 2-7/8" DIAMETER END CAP

Look up item numbers 6 & 19 under the two starter sections.
http://www.mercruiserparts.com/selectDocs.asp?doc_nbr=801874+93
 

93maxum4.3lx

Seaman Apprentice
Joined
Aug 2, 2008
Messages
34
Re: Help me identify this bolt!

thanks guys - I will check it out and let you know.
 

stackz

Master Chief Petty Officer
Joined
May 29, 2008
Messages
830
Re: Help me identify this bolt!

looks like an alternator case bolt. its at least a housing bolt of some sort...and one where some of it was exposed when the part was painted after originally being put together from the paint down the side of it.
 

93maxum4.3lx

Seaman Apprentice
Joined
Aug 2, 2008
Messages
34
Re: Help me identify this bolt!

This was indeed an alternator bolt. I found ALL of the alternator case bolts to be loose (not backed out, but no torque on them either, they were "finger tight.") All back together now, thanks everyone!
 
Top