Augoose
Lieutenant Junior Grade
- Joined
- Mar 21, 2010
- Messages
- 1,245
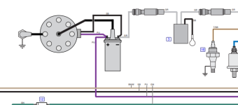
Check all connections on the coil and if you get a shocked when putting your hands on the top of the cap replace it & maybe the wires too!
Hey guess what happens when you rush? You make mistakes of course.......so when I put the wiring harness back on after reinstalling the heads, I inadvertently had the harness leads (purple + black) to the coil reversed. The leads from the coil to the distributor were correct.
So looking back, the motor ran for about 10 mins and then wouldn't restart.
